Postat la - 1 august 2018
Transceiver QRP cu Conversie Directă v1
Mi-am dorit întotdeauna un transceiver QRP mic, capabil de comunicații vocale și CW pe orice frecvență între ELF-HF, alimentat de la baterii, pe care să-l pot lua cu mine oriunde pentru operațiuni portabile. Prin urmare, aș dori să proiectez propriul transceiver care să atingă următoarele obiective majore:
o Toate componentele discrete generice
o Fără transformatoare și circuite acordate
o Consum redus de curent pentru recepție, <100mA, ideal ~70mA
o Conversie directă, bandă dublă laterală
o Modulație/demodulație AM/DSB/CW
o Acoperire generală <10KHz până la >30MHz
o Gama largă de tensiuni de alimentare 8V-18V
o Putere Tx: <5W
o Intrare LO controlată cu DDS sau Quartz
o Comutare electronică TRX și control CW
o Fără zgomote în căști în timpul comutării RxTx/Keying
o Circuit AGC (activ/dezactivat)
o Filtru audio activ (activ/dezactivat)
o Capacitate de recepție SDR pe un singur canal
o Mic
o Ușor
o Simplu
o Componente THT și SMD pentru versiuni viitoare
Această pagină este actualizată în funcție de evoluția proiectului.
Diagramă Bloc
ANT <-> RLY -> LNA -> MIXER -> FILTRU AF -> AMP AF -> CĂȘTI
^ |
| |
| LO (DDS / VXO)
| |
| |
+---- AMP <- MIXER <- FILTRU AF <- AMP AF <- MICROFON
Amplificator Audio Push-Pull 10mW
Acest bloc de amplificare a fost proiectat pentru a livra mai mult de 5mW în căști cu impedanță medie.
Am măsurat rezistența DC a câtorva căști obișnuite și aveau aproximativ 32-80 Ohmi. Apoi, cu osciloscopul și generatorul audio, am măsurat valoarea Vpp la care presiunea sonoră era atât de mare încât era dureros să port căștile. Era în jur de 1.6Vpp, 1KHz sinus, pe 70 Ohmi DC, ceea ce dă aproximativ 4.6mW, deci puterea audio trebuie să fie cel puțin 5mW în 30 Ohmi.
Știind puterea dorită și tensiunea de alimentare, am început să desenez numeroase versiuni de schemă și să notez unele valori cu pixul pe hârtie:
Se poate observa că înainte de perechea push-pull există un tranzistor în configurație follower de emitor în loc de cea clasică cu emitor comun, deoarece am vrut distorsiuni reduse, impedanță de intrare mare și impedanță mică la ieșire. Bineînțeles, aș fi putut folosi un emitor comun încărcat cu o sursă de curent, dar o sursă simplă de curent nu scalează bine cu tensiunea de alimentare, lucrurile devin prea complicate dincolo de scopul meu, deci sunt mulțumit cu follower-ul de emitor în locul unei configurații simple cu emitor comun și rezistor.
Descrierea la nivel înalt a acestui amplificator se poate rezuma astfel: un amplificator de tensiune format de Q3, un amplificator de curent format de Q1 și un alt amplificator de curent format din perechea push-pull Q2-Q4, precum și o buclă de feedback negativ formată din C6,R5,R4.
Pentru că căderea de tensiune pe o diodă variază ușor cu curentul care o traversează, C3 va amortiza aceste mici variații de tensiune peste D1,D2, stabilizând circuitul și reducând distorsiunile. Diodele au fost atent selectate pentru a asigura un echilibru bun între distorsiunile de crossover și consumul de curent în repaus, astfel că fiecare are o cădere de tensiune de aproximativ 0.65V pentru acest amplificator. În funcție de puterea totală de ieșire, diodele pot avea căderi de tensiune mai mici sau mai mari. De exemplu, pentru un amplificator puternic, diodele pot avea 0.550V, iar pentru unul foarte slab, 0.700V. Pentru acest amplificator, distorsiunile de crossover apar sub 9V tensiune de alimentare.
Fără bucla de feedback, câștigul acestui amplificator era de 31dB și impedanța de intrare de aproximativ 14.5K. Câștigul este dat de Q3 – amplificatorul de tensiune. Feedback-ul negativ puternic va reduce câștigul cu 10dB, scăzând semnificativ și impedanța de intrare, zgomotul de fond și distorsiunile.
Tensiunile scalează foarte bine în componente în funcție de tensiunea de alimentare. Pentru o ajustare mai precisă la jumătate din tensiunea de alimentare între emitorii Q2,Q4, rezistorul R1 ar putea fi înlocuit cu un potențiometru multiturn.
Caracteristici și Teste pentru 12V | 27° C:
CÂȘTIG
Tensiune max. intrare: 0.270 mVpp
Tensiune max. ieșire @ 50 Ohmi: 3.4 Vpp
Câștig în tensiune: 12.6
Câștig cu feedback: 22dB
Câștig fără feedback: 31dB
Beta Tranzistori
2N3904 - 200
2N3906 - 213
PUTERE
Curent în gol: 2.2 mA
Curent max @ 50 Ohmi: 12.6 mA
Tensiune max Vpp @ 50 Ohmi: 3.4 Vpp
Putere disipată max @ 50 Ohmi: 151 mW
Putere livrată max @ 50 Ohmi: 29 mW
Eficiență @ 50 Ohmi: 19.2%
--------------------------------
Curent max @ 8 Ohmi: 17.4 mA
Tensiune max Vpp @ 8 Ohmi: 0.9 Vpp
Putere disipată max @ 8 Ohmi: 209 mW
Putere livrată max @ 8 Ohmi: 12.7mW
Eficiență @ 8 Ohmi: 6%
Impedanță de intrare
Fără feedback negativ: 14.5K
Cu feedback negativ: 3.375K
Cu potențiometru: 770-1000 Ohmi
Impedanța scade și mai mult dacă tensiunea de alimentare este crescută.
Răspuns în frecvență
60Hz - 20KHz câștigul este plat 22dB
8-60Hz câștigul crește din cauza efectului redus al feedback-ului negativ, deoarece faza nu este schimbată la 180° de către C2,C6 pentru frecvențe joase. C5 poate fi redus (1uF-470nF) pentru a suprima mai bine frecvențele joase.
Amplificatorul poate gestiona și frecvențe mai mari de 20MHz, dar câștigul este foarte mic, începe să scadă peste 3MHz. Poate cu componente de calitate (condensatori și rezistențe metalice), răspunsul în frecvență înaltă ar putea fi îmbunătățit puțin.
Distorsiune Armonică Totală
Din păcate, nu pot măsura distorsiunile pentru că nu am echipamente adecvate, dar pe traseul osciloscopului, sinusul arată foarte curat, fără semne de distorsiune vizibile, nici pentru ochi, nici pentru urechi, deși cred că sunt prezente într-un procent foarte mic. Se observă pe vârful ciclului negativ că este ușor aplatizat, dar poate nu am reglat corect nivelul orizontal.
Vedere termică a tranzistorilor push-pull după 5 minute de funcționare la putere maximă pe 8 ohmi
Actualizare 5 August 2018
Zilele acestea am făcut niște cercetări/experimente și am tras câteva concluzii. Trebuie să-mi schimb prima orientare de proiectare. Deoarece mă grăbesc mereu pentru că am multe de făcut, mi-ar lua prea mult timp să proiectez și să construiesc un transceiver direct perfect cu tot felul de funcții integrate. Am decis să fac o versiune simplă la început și apoi să adaug îmbunătățiri în versiunile viitoare. Mai mult, nu am niciun receptor/transceiver cu acoperire generală, așa că nu mai pot aștepta, trebuie să-l construiesc cât mai repede posibil.
Zilele acestea am încercat să folosesc tot felul de mixere ca detector de produs. Din păcate, toate variantele pe bază de tranzistoare au eșuat din cauza unei stații MF foarte puternice din apropiere, 250KW la 30KM distanță. Nu pot folosi tranzistoare pentru mixare fără filtre deoarece se suprasolicită ușor. Am încercat versiuni balansate, nebalansate, nu contează, se comportă ca niște diode când un semnal de 4Vpp le traversează.
Apoi am făcut un mixer cu diode balansat simplu și "puf", stația MF a dispărut din prima. Asta pentru că are un interval dinamic mare, atenuare și multe reziduuri de mixare sunt anulate prin procesul balansat. Desigur, la început nu voiam să folosesc acest tip de mixer pentru că are ceva atenuare și necesită un semnal LO mare pentru a acționa diodele >1Vpp sau >9dBm, dar mi-am dat seama că nu pot folosi mixere pe tranzistoare (inclusiv celulă Gilbert) fără filtre trece-bandă sau notch.
Am obținut rezultate foarte bune cu mixerul balansat cu diode, am înfășurat aproximativ 10 spire pentru primar și aproximativ 2x15 spire pentru secundar pe un miez binocular, material 43 și diode BAT41. Trebuie să-l mut de pe breadboard pe PCB pentru a face măsurători legate de pierderile în funcție de frecvență. Dar pot spune că funcționează de la 150KHz până la 18MHz. Sper că are un răspuns bun până la 30MHz, vom vedea.
Un alt lucru important despre mixerul cu diode: este obligatoriu să aibă o terminație rezistivă joasă pentru toate frecvențele. Am anticipat asta și gândurile mi-au fost confirmate în "High-Performance Direct Conversion Receivers - de la KK7B/QST/ARRL". Altfel, produsele reactive se vor reflecta în mixer din nou și din nou, ducând la un semnal de ieșire murdar.
Despre filtrul audio, va fi de ordin înalt, implementat doar cu LC, pentru că am vrut un răspuns în frecvență abrupt (0–3KHz).
Pentru partea de recepție, va fi folosit un etaj cu tranzistor în bază comună alimentat printr-o sursă de curent setată la 50 Ohmi, poate cu scări de atenuare, diode de protecție etc.
Filtru Audio de Ordinul 5 la 2.5KHz - 11 August 2018
Așa cum am menționat deja, am vrut un filtru LC de ordin înalt în loc de RC + AMP din următoarele motive:
o filtrele RC au atenuare mare, acționează de fapt ca divizoare de tensiune
o filtrele RC au nevoie de amplificare pentru a readuce semnalul la același nivel (consum mai mare de curent)
o filtrele RC au răspuns în frecvență slab fără amplificare
o filtrele RC au caracteristici slabe de încărcare
o filtrele LC au atenuare scăzută
o filtrele LC sunt de obicei realizate în configurație de ordin mai înalt fără a fi nevoie de reamplificarea semnalului (fără consum de curent)
o filtrele LC au răspuns bun în frecvență
o filtrele LC pot adapta impedanțe
Filtrul utilizat aici este bazat pe unul descris de KK7B în articolul său din revista QST. Este un filtru de ordin 5, format doar din inductori și condensatori, dar există și unele rezistențe parazite care trebuie luate în considerare.
Impedanța de intrare/ieșire trebuie să se potrivească cu etapele adiacente.
Filtrul audio a fost proiectat folosind următoarele unelte:
o RFSim99 v1.05
o https://www-users.cs.york.ac.uk/~fisher/lcfilter
Măsurători Reale
Impedanță vs Frecvență:
800Hz - 1100 Ohmi
1500Hz - 1150 Ohmi
2300Hz - 720 Ohmi
2800Hz - 1480 Ohmi
3200Hz - 1920 Ohmi
5000Hz - 510 Ohmi
8000Hz - 270 Ohmi
Alte Note
o Când potențiometrul de volum este dat la maxim, impedanța de intrare a filtrului scade de la 1K la aproximativ 800 Ohmi din cauza impedanței de intrare scăzute a amplificatorului audio. Știam asta de la început, dar am crezut că voi folosi o etapă cu colector comun înainte de amplificatorul audio și voi rezolva problema. Aceasta ar putea fi o eroare de proiectare, deci pentru versiunile viitoare amplificatorul audio ar trebui să aibă impedanță mai mare și buclă de feedback negativ realizată cu o pereche diferențială de intrare, de exemplu. Nu vreau acum să folosesc o etapă cu colector comun după filtru pentru a "repara" această eroare de design.
o Am încercat să folosesc filtru de ordin 7, dar nu a funcționat corect – nu știu de ce momentan, dar presupun că placa de test "breadboard" a scurs semnale.
o Acei condensatori de 10nF peste inductori fac ca atenuarea frecvenței să fie mai abruptă, dar semnalele mai mari de 10KHz sunt trecute prin. Așadar, ar putea fi omise sau înlocuite cu unele de valoare mai mică.
Detector de Produs – 12 August 2018
o Astăzi, filtrul audio a fost montat pe PCB. Funcționează foarte bine!
o Am decis că funcția de "recepție SDR pe un singur canal" este inutilă pentru acest transceiver, așa că a fost anulată.
o Pentru a testa etapa de detector de produs cu semnale de antenă, am realizat un filtru LC de notch pentru a bloca acel post local MF de 250KW.
o Am făcut din nou teste folosind detector de produs cu un singur BJT. A funcționat bine până seara, când semnale puternice de la posturi de emisie au trecut prin. Parțial rezolvat prin aplicarea unui semnal LO mai puternic pe BJT. Trebuie să fac mai multe teste folosind diferite polarizări și curenți de sarcină, poate și teste cu tranzistori JFET sau MOSFET. Cu siguranță nu vreau să folosesc mixer cu inel de diode din cauza răspunsului slab la frecvențe joase și consumului mare de LO.
Detector de Produs – 18 August 2018
Săptămâna aceasta am făcut ceva cercetări privind detectorul de produs cu un singur BJT.
Iată câteva observații rapide:
o Tranzistorul trebuie să funcționeze în clasa B (extrem de important!)
o Izolare slabă IF/RF/LO
o Recuperare/Calitate audio slabă
o Etapa BJT este foarte sensibilă la sarcini de intrare/ieșire, orice schimbare la porturi îi modifică comportamentul
o Răspuns bun în frecvență
o Simplitate
Puțină Teorie de Funcționare
Luând în considerare oscilația de tensiune LO {+1V, 0V, -1V}:
Fără semnal LO aplicat (mod StandBy), tranzistorul este în stare de oprire, curentul circulă doar prin divizorul de tensiune de la bază. Deoarece rezistența de jos menține Vbe la 0.65V, tranzistorul este (mai ales) oprit.
Când semnalul LO AC este aplicat, dar atinge doar 0V, etapa BJT se comportă în mare parte ca în modul standby.
Când LO atinge +1V, tranzistorul este complet oprit datorită polarizării inverse a joncțiunii bază-emitor. Orice tensiune pozitivă mai mare sau egală cu 0V menține BJT oprit (stare de tăiere).
Acum, când semnalul LO devine mai negativ decât 0V, tensiunea peste rezistențele adiacente se schimbă activând tranzistorul. LO trebuie să fie de impedanță foarte mică în acest caz deoarece Ib + Ic vor circula prin LO în timpul ciclului negativ.
Cu alte cuvinte, etapa BJT polarizată în clasa B va conduce doar în timpul ciclului negativ al LO. Forma de undă de ieșire de pe colector arată astfel:
Desigur, rezistențele de polarizare pot fi calculate ușor pentru clasa B, dar când porturile RF și IF sunt încărcate de etape adiacente, totul se complică. Asta din cauza variației tensiunii LO peste toate rezistențele (izolare slabă LO), iar când o sarcină este cuplată capacitiv la portul RF, de exemplu, comportamentul de polarizare se schimbă.
Așadar, am făcut calculele "la rece", apoi am pus circuitul pe breadboard, cu sarcini pe porturile RF/IF și prin încercări și erori am încercat să obțin cele mai bune rezultate pe osciloscop injectând semnal LO și schimbând valoarea rezistorului R2 (testat la 1MHz).
Iată etapa BJT inițială:
Detector de Produs – 19 August 2018
În sfârșit, după câteva ajustări și o perioadă lungă de testare, am realizat schema pentru detectorul de produs.
Nu este nimic special legat de schemă, acest tip de detector este doar o soluție de compromis, fiind super simplu și având un răspuns bun în frecvență (sper).
o Rezistențele de polarizare R2,R3 mențin tranzistorul în funcționare clasa B, dar asta este valabil doar când semnalul LO este prezent (~0.4Vpp) și sarcinile la RF și IF sunt prezente de asemenea. Sarcinile sunt 850 ohmi la portul IF, 270 ohmi la portul RF.
o R4 setează impedanța de ieșire a etapei, care este aproximativ 680 ohmi în acest caz (pentru configurația cu emitor comun, Z-out este rezistorul de colector).
o R6 are două funcții: prima, ajustează impedanța de ieșire de la 680 la 850 ohmi pentru frecvențe audio. Și a doua, împreună cu condensatorul de 100nF din filtrul audio formează o sarcină de impedanță joasă (220 ohmi) pentru frecvențe înalte. În acest mod, tranzistorul este menținut în funcționare clasa B pentru o gamă largă de frecvențe LO.
o R5 doar menține tensiunea de ieșire scăzută (R6/R5) și dezvoltă tensiune din semnalul LO.
o Condensatorii de 1uF de la porturile I/O C1,C2,C3 sunt de tip nepolarizat. Valorile lor sunt atât de mari deoarece trebuie să permită trecerea frecvențelor joase din gama ELF-VLF. Mă aștept ca ei să fie slabi pentru HF și un condensator ceramic de 100nF ar trebui conectat în paralel cu ei. Vom vedea...
Mă aștept, de asemenea, la un răspuns slab pentru frecvențele înalte din cauza calității reduse a componentelor. Din nou, vom vedea.
Detector de Produs – 20 August 2018
Astăzi am plasat detectorul de produs cu BJT pe PCB, am făcut câteva măsurători și poze.
Ieșire Colector 1
o Semnal LO doar (fără RF)
o Port RF închis cu 470R
o Oscilație de 3V
o BJT Clasa B
o 1 MHz
Ieșire Colector 2
o Semnal LO doar (fără RF)
o Port RF închis cu 470R
o Oscilație de 3V
o BJT Clasa B
o 1 MHz
Ieșire Colector 3
o Semnal LO 1.000MHz
o Semnal RF 1.100MHz, serie 470R
o Oscilație de 3V
o BJT Clasa B
Ieșire Colector vs Recuperare Audio
o Colector 1.6Vpp
o Audio recuperat după filtru 10mVpp
Audio Recuperat
o Calitate slabă
o 600mVpp
o 1.000MHz + 1.001MHz = 1KHz audio
Scurgere Port RF
o Izolare LO slabă la portul RF
Tabel Conversie
o 470R în serie cu generatorul la portul RF
o RF Vin măsurat după generator și înainte de 470R
| Frecvență |
RF Vin |
LO Vin |
Audio Vout |
| 100 KHz |
120 mVpp |
400 mVpp |
140 mVpp |
| 500 KHz |
200 mVpp |
500 mVpp |
180 mVpp |
| 1 MHz |
200 mVpp |
500 mVpp |
180 mVpp |
| 2 MHz |
200 mVpp |
500 mVpp |
180 mVpp |
| 3.5 MHz |
190 mVpp |
520 mVpp |
160 mVpp |
| 5 MHz |
180 mVpp |
540 mVpp |
150 mVpp |
| 7 MHz |
180 mVpp |
540 mVpp |
140 mVpp |
| 10 MHz |
180 mVpp |
520 mVpp |
120 mVpp |
| 14 MHz |
200 mVpp |
500 mVpp |
80 mVpp |
| 18 MHz |
230 mVpp |
500 mVpp |
50 mVpp |
Alte Note
o La variarea tensiunii de alimentare, amplificarea a fost afectată cel mai mult. Polarizarea în clasa B a fost afectată doar puțin, prin urmare cred că nu este nevoie de reglare a sursei de alimentare pentru acest detector de produs.
o Mă așteptam la un răspuns slab la frecvențe înalte, din cauza calității și dispunerii componentelor. O îmbunătățire bună ar putea fi obținută folosind rezistențe metalice, tranzistori RF și poate tehnologie SMD.
o Detectorul poate recepționa semnale slabe de la antenă fără ajutorul amplificării. Testat între 130KHz–14MHz, peste acest interval ieșirea audio este foarte slabă.
o Rejecție AM mai bună cu LO 0.7Vpp testat la 3.7MHz.
o Consum de curent aproximativ 5.2mA.
o Consum total de curent 7.4mA (audio + detector de produs).
În continuare, trebuie să construiesc un amplificator RF compus din bază comună alimentată printr-o sursă de curent urmată de o etapă colector comun. Amplificarea RF ar fi de aproximativ 40-50dB, consumul de curent aproximativ 10mA. Apoi trebuie să verific dacă receptorul are nevoie de un circuit AGC.
Amplificator RF 45dB 50R – 24 august 2018
o Amplificatorul RF este format dintr-o bază comună urmată de un colector comun, câștigul de amplificare este în jur de 45dB pentru 100KHz-30MHz. Am încercat să încarc baza comună cu o sursă de curent, dar amplificarea era atât de mare (55dB) încât orice schimbare de temperatură sau alți factori externi ducea la un offset de tensiune incorect. Prin urmare, baza comună este acum încărcată cu o rezistență de 8K2.
o În ceea ce privește implementarea AGC, am testat JFET ca rezistență controlată în tensiune (VCR), a funcționat bine. Poate ar trebui luată în considerare și o pereche diferențială.
o Din păcate, nu am implementat AGC din cauza limitărilor de spațiu pe PCB.
Schematica amplificatorului RF:
Ca o descriere scurtă, avem Q1 care acționează ca o impedanță de intrare RF constantă și mică (aproximativ 50 Ohmi) și amplificator de tensiune. Această etapă are un câștig de aproximativ 45dB pe întreg intervalul 100KHz–30MHz. Dar impedanța de ieșire este foarte mare, astfel încât nu poate alimenta nicio altă etapă decât un amplificator de curent, fiind urmată de Q2.
Deoarece impedanța de intrare RF este o funcție a curentului Ie prin Q1, aceasta poate fi modificată variind tensiunea de alimentare, așa că pentru a menține impedanța de intrare aproximativ constantă, D1 reglează tensiunea aplicată rezistorului de bază R3, încercând să mențină curentul constant pentru Ib și respectiv Ie.
Impedanța de intrare RF @ 12V 30°C:
Tabelul de amplificare RF:
| FREQ |
Vin |
Vout |
Gain |
| 100 KHz |
5 mVpp |
1.1 Vpp |
46.8 dB |
| 200 KHz |
5.5 mVpp |
1.2 Vpp |
46.7 dB |
| 400 KHz |
6 mVpp |
1.2 Vpp |
46.0 dB |
| 600 KHz |
6 mVpp |
1.2 Vpp |
46.0 dB |
| 800 KHz |
6 mVpp |
1.2 Vpp |
46.0 dB |
| 1 MHz |
6 mVpp |
1.2 Vpp |
46.0 dB |
| 2 MHz |
5.5 mVpp |
1.2 Vpp |
46.7 dB |
| 4 MHz |
5 mVpp |
0.9 Vpp |
45.1 dB |
| 6 MHz |
4 mVpp |
0.6 Vpp |
43.5 dB |
| 8 MHz |
3 mVpp |
0.56 Vpp |
45.4 dB |
| 10 MHz |
2.4 mVpp |
0.48 Vpp |
46.0 dB |
| 12 MHz |
1.8 mVpp |
0.42 Vpp |
47.3 dB |
| 14 MHz |
1.5 mVpp |
0.38 Vpp |
48.0 dB |
| 16 MHz |
1.2 mVpp |
0.34 Vpp |
49.0 dB |
| 18 MHz |
1 mVpp |
0.31 Vpp |
49.8 dB |
| 20 MHz |
1 mVpp |
0.3 Vpp |
49.5 dB |
| 24 MHz |
0.8 mVpp |
0.26 Vpp |
50.2 dB |
| 27 MHz |
0.8 mVpp |
0.25 Vpp |
49.9 dB |
| 30 MHz |
1 mVpp |
0.24 Vpp |
47.6 dB |
Alte Observații
o Din păcate, cu un astfel de amplificator RF, posturile AM puternice pătrund indiferent de frecvența LO. Mă așteptam la asta, dar acum receptorul este inutil fără atenuatoare și filtre trece-bandă precise.
o De asemenea, veriga slabă din lanț este detectorul de produs, care este predispus la detectarea AM.
o O parte din semnalul LO pătrunde în intrarea RF (antenă), și din cauza izolării slabe a detectorului de produs.
o Consum total de curent al receptorului este de aproximativ 12.6mA alimentat doar cu semnal LO.
Detector de Produs II - 29 August 2018
Deoarece receptorul a devenit inutil cu acel amplificator, detectorul de produs BJT a fost scos de pe PCB și înlocuit cu un mixer pasiv simplu cu diode balansate.
Inima acestui detector de produs este transformatorul de fazare și diodele aferente. Transformatorul este realizat din 3x12 spire răsucite pe un miez binocular din material 43. Lucrează pe o sarcină de impedanță mare, aproximativ 1K pentru a conduce diodele cu o putere LO mai mică, dar mă aștept la o calitate slabă în acest caz. Frecvențele de produs ajung într-o sarcină de 1K, C1 R1 pentru frecvențe mai mari de 3KHz, iar frecvențele audio joase trec prin L1 către filtrul audio care are o impedanță de intrare de 850R-1K. Potențiometrul RV1 este folosit pentru a regla fin balansul detectorului de produs, reducând scurgerile LO către antenă și detectarea AM. Desigur, odată cu schimbarea frecvenței LO, reactanțele parazite dintre componentele mixerului se schimbă și ele, perturbând balansul, în special pentru frecvențe mai mari de 5MHz.
După eliminarea acelui detector de produs BJT, am constatat că Q1 din amplificatorul RF poate fi ușor suprasolicitat de semnale puternice, deci necesitatea folosirii unor filtre trece-bandă precise a devenit evidentă. De asemenea, fără acel BJT, volumul audio a scăzut, deci ar trebui introdus un alt etaj de amplificare în lanțul RF sau audio în proiectele viitoare, sau poate se poate îmbunătăți prin creșterea tensiunii LO.
Consum de curent actual: 6.62mA cu sau fără semnal LO.
Din păcate, nu am avut timp suficient pentru a măsura răspunsul în frecvență, dar folosind semnale de la antenă, mixerul poate recepționa semnale de la 135KHz la 14MHz, iar cu generatorul urcă peste 50MHz.
Preamplificator Audio - 9 Septembrie 2018
În ultimele zile nu am avut suficient timp să continui lucrul. După cum am spus mai sus, volumul audio este mai mic fără acel detector de produs BJT, așa că am realizat un amplificator simplu în emitor comun pentru a amplifica semnalul audio.
Acest circuit este plasat între potențiometrul de volum RV1 și R4 din secțiunea amplificatorului audio și a fost proiectat să aibă o impedanță de intrare mare (100R * Beta 200 = 20K - feedback negativ R) și aproximativ 3K la ieșire. Nivelul audio este acum mai mult decât suficient și receptorul suferă vizibil de lipsa unui AGC.
Consum curent: 8.3mA @ 12V pentru întregul circuit al receptorului, fără DDS.
Receptor Complet 8.5mA @ 12V - 26 Septembrie 2018
Caracteristici:
o Consum de curent în repaus: 8.3mA @ 12V
o Impedanță de intrare RF: 56 ohmi @ 500KHz-30MHz
o Impedanță de ieșire audio: 30 ohmi
o Putere de ieșire audio: 29mW @ 50 ohmi
Note:
o Impedanța de intrare RF și curentul de polarizare pentru Q2 pot fi ajustate din D4, R4 și R7.
o D3 și D5 trebuie selectate cu grijă pentru un consum redus de curent și distorsiuni de cross-over scăzute în amplificatorul audio push-pull.
o Răspunsul în frecvență al lui T1 ar trebui măsurat pentru proiecte viitoare.
o Răspunsul în frecvență al întregului receptor depinde de amplificatorul RF Q1, Q2, transformatorul detectorului de produs T1 și semnalul LO.
o Răspunsul în frecvență și câștigul măsurat pentru amplificatorul RF Q1, Q2 nu sunt 100% corecte. Sensibilitatea osciloscopului devine inexactă peste 7MHz.
o Inserarea lui Q7 pentru a amplifica nivelul audio introduce și feedback pozitiv de la antenă la ieșirea audio, deci folosirea de fire lungi și neconectate la masă poate duce la autooscilații.
o Filtrul audio este opțional.
o Circuit AGC opțional.
Fișierele Kicad aici.
Proiectarea Circuitului DDS - 26 Septembrie 2018
Obiective HW & SW:
o Consum redus de energie
o Afișaj Pornit/Oprit/Profil
o Lumina afișaj Pornit/Oprit/Profil
o CPU Sleep Idle
o Dezactivarea perifericelor
o Monitorizare tensiune
o Encoder incremental rotativ + Buton apăsare
o Meniu + Meniu Service
o Memorii de frecvență + Etichete pentru benzi
o Scanare programabilă
o Pași configurabili
o Deplasare CW configurabilă
o Dual Watch / Triple Watch
o Rx/Tx VFO Split
o Codificare/Decodificare RTTY (versiuni viitoare)
o Capabilitate Beacon
o Bootloader pentru upgrade firmware
o Utilizarea LM317 în loc de 7805 (7805 consum curent de repaus ≈ 6mA, prea mult)
o Utilizarea circuitului integrat DDS AD9834
o Utilizarea filtrului trece-jos
o Utilizarea amplificatoarelor RF; impedanță ieșire < 1000R
Alte Observații:
o Consum curent Atmega1284 pentru clock intern RC activ la 1MHz este în jur de 600uA, ceea ce mi se pare foarte bine. Poate va trebui să cresc un pic frecvența prin schimbarea prescalerului.
o Consum curent Afișaj Hitachi 2x16 cu backlight activ este aproximativ 7mA. Mi se pare prea mult, dar momentan nu am altă opțiune. Pentru versiunile viitoare, un afișaj Nokia 84x84 ar putea fi o alegere bună.
o În faza de cercetare și dezvoltare, controllerul DDS va fi placa mea de dezvoltare Atmega Dev.Board v2.
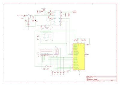
Circuit AD9834 - 9 Octombrie 2018
Din păcate, lucrurile avansează foarte încet, mereu am avut altceva important de făcut. Totuși, în aceste săptămâni am construit aproape tot circuitul DDS, câteva biblioteci KiCad și software de testare pentru MCU.
Mai întâi, am proiectat următorul circuit DDS:
După câteva teste, am tras următoarele concluzii:
* Nu a funcționat din prima încercare din cauza ieșirii slabe a TXO-ului de 75MHz. TXO este specificat pentru o tensiune Vcc maximă de 3V6, așa că am fost nevoit să cresc Vcc de la 3V3 la 4V3 pentru a obține ieșire suficientă pentru a antrena AD9834. TXO este ASDMB-75.000MHZ-XY-T ABRACON cu acuratețe 10ppm, dar pare destul de instabil.
* Ieșirea RF este diferențială.
* RV1 la pinul 1 este folosit pentru a seta Iout prin rezistoarele de 220R, respectiv ieșirea RF. Magnitudinea lui Iout este de 18 ori mai mare decât Iset. Așadar, la acest pin se aplică o sursă de tensiune constantă de 1.15V pentru a seta Iset prin RV1. Conform formulei din datasheet, avem Iout = 18 x FSADJUST/Rset, unde FSADJUST = 1.15 nominal; Rset este rezistența RV1.
* Setările curentului la pinul 1 conform formulei sunt corecte doar pentru frecvențe joase, peste 1MHz ieșirea scade considerabil. Pentru frecvențe joase ieșirea RF poate fi aproximativ 2Vpp, în timp ce pentru frecvențe înalte ca 25MHz ieșirea este sub 200mVpp.
* Pentru a stabiliza ieșirea RF pe toată gama de frecvențe, am dezvoltat o soluție HW & SW automată pentru a seta Iset la pinul 1 folosind un tranzistor NPN cu colector deschis și un DAC MCP4901 pe 8 biți controlat de MCU. Astfel, Iset poate fi setat între 10uA și 1.2mA în 256 de pași. Software-ul va seta mai întâi Iset și apoi frecvența DDS.
* Trebuie să găsesc o soluție pentru amplificarea ieșirii RF diferențiale înainte de a decide trecerea la ieșire single-ended; mă gândesc la o pereche diferențială sau direct o oglindă de curent.
* Peste 18MHz unda sinusoidală devine ușor distorsionată și foarte urâtă peste 25MHz. Sper să rezolv această problemă cu un filtru trece-jos.
Circuit AD9834 + DAC MCP4901
Pentru a menține ieșirea RF relativ constantă, Iset de la FSADJUST (pin 1) al AD9834 trebuie ajustat dinamic. Pentru asta am folosit un DAC pe 8 biți cu consum ultra-redus - MCP4901 - care consumă aproximativ 200uA fără sarcină. În software se va implementa o tabelă hardcoded cu intervale de frecvență și valorile DAC aferente. DAC-ul este controlat prin SPI, apoi tensiunea generată va comanda un tranzistor NPN cu colector deschis (Q1 în schemă), pentru a seta Iset.
* Intervalul curentului Iset: între 10uA și 1.2mA în 256 pași aproximativ neliniari. Liniaritatea va fi corectată în software; poate corecta inclusiv neliniaritatea amplificatoarelor RF în funcție de frecvență.
* Software-ul trebuie să seteze mai întâi valoarea DAC și apoi frecvența, din cauza întârzierii C9, care trebuie să asigure o tranziție lină.
* Ar fi util să permit utilizatorului modificarea tabelei frecvență-DAC din meniu.
Urmează să implementez sursa de tensiune pentru DDS și partea digitală, o sursă cu consum de curent de repaus foarte mic: max. 1mA. Cred că va fi bazată pe LM317.
Sursa de Tensiune LM317 - 14 Octombrie 2018
Deoarece am vrut o sursă de tensiune cu curent de repaus redus, în loc să risipesc aproximativ 6mA folosind un regulator 7805, am proiectat o sursă folosind LM317L disponibil în pachet TO-92. LM317L poate livra în jur de 100mA, suficient pentru întregul DDS + consumul MCU.
Mai întâi trebuie să recapitulez cum funcționează LM317. Este un circuit integrat cu trei terminale care operează în „mod flotant”, ceea ce înseamnă că nu necesită conexiune GND pentru a funcționa. Totuși, folosit ca regulator de tensiune, trebuie să aibă GND printr-un rezistor.
Fișa tehnică specifică patru aspecte importante:
1. Circuitul LM317 va ridica tensiunea la pinul OUTPUT cu 1.25V mai mare decât tensiunea pinului ADJUST.
2. Curentul în pinul ADJUST este aproximativ 50uA.
3. Curentul minim de sarcină ar trebui să fie tipic 3.5mA.
4. Tensiunea de rezervă, Vi - Vo = 3V
Explicarea figurii 9 din datasheet pentru regulatorul de tensiune:
În timp ce tensiunea peste R1 este menținută fixată la 1.25V (între pinii OUTPUT și ADJUST), restul tensiunii (Vout - 1.25V) cade peste R2. De asemenea, peste R2 se adaugă și Iadj, care este aproximativ 50uA.
Explicarea ecuației din datasheet: Vo = Vref(1 + R2/R1) + (Iadj * R2)
Să presupunem că tensiunea peste R1 este reprezentată de Vr1, la fel și pentru R2, Vr2.
Folosind Legea lui Kirchhoff pentru tensiune, avem Vo = Vr1 + Vr2
Vr1 este egal cu Vref, 1.25V.
Căderea de tensiune peste R2 este definită ca (Iadj + Ir1) înmulțit cu R2, deci Vo = Vref + R2(Iadj + Ir1)
Curentul prin R1 este Vref/R1, deci Vo = Vref + R2(Iadj + Vref/R1)
Vo = Vref + (R2 * Iadj) + (Vref * R2)/R1
Vo = Vref + Vref*(R2/R1) + (Iadj * R2)
Vo = Vref(1 + R2/R1) + (Iadj * R2)
Simplu ca bună ziua :)
Acum, pentru designul meu am ales ca regulă simplă ca Ir1 să fie de două ori mai mare decât Iadj, ceea ce înseamnă că curentul de repaus va fi 3 * Iadj = 150uA, ceea ce mi se pare rezonabil. Așadar, R1 se poate găsi împărțind Vref la 2*Iadj => R1 = 1.25V / 100uA => R1 = 12500 ohmi, aproximativ 12K
Apoi, am vrut ca Vo să fie ajustabil între 3V și 5V, deci pentru tensiunea mai mică de 3V avem Vr2 = Vo - Vref <=> Vr2 = 3V - 1.25V => Vr2 = 1.75V. Curentul prin R2 este Ir1 + Iadj, adică 150uA, astfel R2 = 1.75V / 150uA = 11666 ohmi, aproximativ 12K.
Calculând R2 pentru 5V: Vr2 = Vo - Vref = 5V - 1.25V = 3.75V. Curentul este 150uA, deci R2 = 3.75V / 150uA = 25000 ohmi, aproximativ 22K.
Acum aveam cele două rezistențe, R1 = 12K; R2 = {12K, 25K}. Așadar, pot împărți R2 în 12K + potențiometru de 10K pentru a acoperi gama 12K-22K, adică 3-5V.
După testarea pe breadboard, am constatat că eram destul de aproape, tensiunea putea fi ajustată între 3V și 4.5V, așa că am înlocuit R2 cu 15K + potențiometru de 10K, apoi gama de tensiune s-a mutat mai sus, la 3.5V - 5.0V și am fost destul de mulțumit de rezultat.
În plus, D1 și D2 sunt folosite pentru a proteja circuitul LM317 împotriva unui scurtcircuit pe Vin. Deoarece Co și Cadj pot fi încărcați când apare un scurtcircuit la Vin, diodele oferă o cale de descărcare cu impedanță joasă pentru acești condensatori. Astfel, Co este descărcat prin D1, Cadj prin D2.
În designul meu nu voi adăuga aceste diode, ci doar o diodă de protecție la polaritate inversă, care va proteja și împotriva scurturilor pe Vi. Tensiunea de rezervă crește astfel la 3.7V, deci pentru 5V, Vin trebuie să fie 5V + 3.7V = 8.7V.
În funcție de consumul de curent al DDS + MCU (sper în jur de 30mA), puterea disipată pe LM317L ar putea fi undeva sub 200mW @ 12V.
Pentru un consum mai redus de energie se poate lua în considerare un regulator de tensiune în comutație.
Am actualizat și schema:
Următorii pași:
- Construirea prototipului DDS + modul MCU
- Realizarea unui filtru trece-jos
- Proiectarea amplificatoarelor RF
- Cablarea ADC-ului MCU și divizor pentru monitorizarea tensiunii de alimentare
Prototip DDS Partea 1 - Actualizare 22 Octombrie 2018
Am fost mega dezamăgit! După ce am montat toate componentele importante ca MCU, LCD, DAC, LM317LZ pe PCB-ul de test, am fost atât de nerăbdător să adaug și AD9834 și ceasul. La prima alimentare, consumul total era în jur de 17mA cu MCU în stare de funcționare, LCD + iluminare pornite, DDS cu ieșire minimă, ceea ce a fost un rezultat foarte bun, dar după ce am setat ieșirea AD9834 la scară maximă, consumul a crescut la 40mA, doar AD9834 și ceasul consumau în jur de 37mA @ 4.3V. Aproape tot curentul cădea pe cele două rezistențe de 220R din ieșirea RF AD. Așa că am fost dezamăgit. Am încercat să le schimb cu 1K, dar ieșirea era foarte distorsionată, așa că am revenit la rezistențele de 220R. Mai mult, am legat direct la masă IOUTB deoarece asta a îmbunătățit forma de undă de ieșire, în timp ce consumul a rămas același.
Trebuie să reproiectez regulatorul de tensiune pentru versiunile viitoare de hardware. Voi folosi un regulator de tensiune DC/DC în comutație (buck), sperând că pot economisi mai mult de 20mA în această variantă, dar sunt îngrijorat de zgomotul de comutare în acest caz.
Am făcut și câteva modificări minore la schemă.
Următorii pași:
- Realizarea unui filtru trece-jos
- Proiectarea amplificatoarelor RF
- Cablarea ADC-ului MCU și divizor pentru monitorizarea tensiunii de alimentare
DDS Finalizat - 10 Noiembrie 2018
Am terminat circuitele de amplificare DDS acum câteva săptămâni și între timp m-am bucurat foarte mult de ascultarea pe MF și HF. În sfârșit, acum am timp să scriu modificările aici. Din păcate, m-am grăbit și la această etapă, așa că nu am realizat-o așa cum mi-aș fi dorit.
Privind pe schemă, tranzistorul Q2 acționează ca un etaj cu impedanță de intrare mare și amplificator de curent pentru filtrul trece-jos următor format din C27, L1, C26. Filtrul este încărcat de R14. Din păcate, nu-mi amintesc exact valoarea lui L1. Apoi, tensiunea este amplificată de Q4. C29 ajută la linearitatea amplificării RF, dacă C29 este omis, amplificarea scade peste 10MHz. Q3 este un etaj cu impedanță mare la intrare și impedanță mică la ieșire.
Din păcate, nu am avut prea mult timp să experimentez/proiectez filtre mai bune. DDS-ul pare să fie bogat în armonici, ar trebui filtrat mai bine în versiunile viitoare, folosind filtre amortizate și amplificare curată.
Întregul modul DDS consumă aproximativ 40mA @ 12V.
Tensiunea RF de ieșire încărcată cu o rezistență de 1K este aproximativ 3Vpp dacă îmi amintesc corect. Poate ar trebui să refac măsurătorile și să fac un grafic.
DE FĂCUT:
- ADC pentru monitorizarea tensiunii
- Tastatură ADC
- Etaje buffer pentru Rx / Tx ?
Actualizare - 30 Decembrie 2018 - Voltmetru, Testare pe teren și Remedieri
Voltmetrul a fost implementat atât hardware cât și software între timp. Acum tensiunea bateriei este afișată în colțul stâng pe ecranul LCD 2x16. Pentru partea hardware, un divizor de tensiune R18, R19, a fost proiectat pentru a scala un maxim de 20Vcc la 2.56V referință ADC, menținând o impedanță echivalentă Thevenin de 8.7K (mai puțin de 10K Ohmi specificați de fișa tehnică ATmega1284) și un consum redus de curent de repaus (153uA @ 12V).
Observă că nu există un trimer pentru divizorul de tensiune pentru ajustarea toleranțelor. Deoarece un trimer este destul de voluminos, greu și scump, raportul divizorului + toleranțele vor fi corectate din software.
D2, dioda zenner de 5V6 este o protecție pentru MCU deoarece divizorul este conectat direct la VCC ocolind dioda de protecție D1, așadar zenner-ul ar trebui să scurtcircuiteze tensiunile inverse către GND și să atenueze vârfurile mari. MCU oferă de asemenea o diodă de protecție internă, dar din motive de siguranță a fost adăugată o diodă externă.
Receptorul a fost montat într-o carcasă împreună cu DDS, MCU și LCD. După o perioadă lungă de testare, acesta a prezentat reducere slabă a posturilor AM, captare de câmp magnetic și lipsă de amplificare RF la utilizarea cu antene tip loop mici.
Rejecția posturilor AM
Din păcate, aceasta a fost o eroare serioasă de proiectare. În primul rând, problema majoră a fost stadiul buffer Q2 din schema receptorului. S-a comportat complet neliniar când era încărcat de mixer, chiar și cu o sarcină de 1K pe portul IF. Semnalele puternice din antenă sunt amplificate până la 8Vpp de stadiul Q1, apoi stadiul al doilea Q2 nu poate conduce corect sarcina de 1K văzută la portul IF când diodele mixerului sunt închise de LO.
Pentru a remedia acest lucru, a fost adăugat un alt buffer pentru a reduce și mai mult impedanța pentru mixerul Q8, crescând și consumul de curent. Al doilea buffer alimentează mixerul printr-o rezistență metalică de 390 Ohmi acum R20, astfel încât să prevină încărcarea puternică exercitată de mixer și să introducă și un oarecare grad de atenuare.
A doua problemă a fost mixerul, diplexerul și filtrul audio care toate au fost proiectate pentru o sarcină de 1K. Diodelor nu le place să lucreze cu impedanțe mari, fiind predispuse la intermodulație. Aici, mixerul simplu balansat a fost schimbat cu unul dublu balansat, crescând puțin volumul audio și o rezistență R22 de 120R a fost adăugată la portul IF pentru a crește sarcina pentru diode, reducând totodată puțin volumul audio.
O altă rezistență metalică de 340R (2x680R) a fost plasată între ieșirea DDS și intrarea LO a mixerului, R21. Astfel, pentru a preveni încărcarea puternică a ieșirii DDS de către mixer și a normaliza tensiunile de comutare pe diode.
După toate aceste modificări și ajustări, receptorul este mai silențios. Când antena este deconectată, zgomotul intern al receptorului este în mare parte același pe toate frecvențele, cu sau fără semnal LO către mixerul cu diode. Rejecția posturilor AM a fost mult îmbunătățită. Singurul lucru care ar mai ajuta ar fi implementarea unui circuit AGC.
Captarea câmpului magnetic
Receptorul poate capta zgomote de tip bâzâit, pocnituri și clicuri aparent fără motiv. Am descoperit că inductorii folosiți în filtrul audio sunt foarte sensibili la microfonie și detecția câmpului magnetic deoarece sunt inductori cu câmp deschis. Această problemă ar putea fi ușor remediată folosind inductori cu câmp închis în versiunile viitoare.
Lipsa nivelului RF
În timpul utilizării portabile cu antene tip loop mici, nivelul RF părea prea scăzut afectând direct volumul audio. Cu antene mari există suficient volum audio, dar cum loop-urile mici au atenuare, nivelul RF este și el mic. Zgomotul de fond în receptor este în mare parte din stadiul audio. Prin urmare, un amplificator cu emitor comun și un circuit AGC ar trebui plasate între cele două buffere în fața mixerului cu diode, crescând suplimentar rejecția AM prin limitarea RF-ului pentru mixer. Sau se poate obține mai mult câștig și AGC implementat la nivel audio.
Schematice actualizate
Fișierele Kicad aici.
Fotografii
Alte Note
- Receptorul a fost testat cu semnale de antenă de la 10KHz până la 18.1MHz.
- Peste 13MHz, câștigul general scade, iar semnalul LO devine în mare parte triunghiular (conform osciloscopului meu).
- Sub 10KHz, transformatoarele mixerului nu au o bună transferare cu puterea LO actuală, dar poate funcționa până la ~3KHz cu rezultate slabe.
- Sub 16KHz, semnalul LO se scurge prin filtrul audio, deci poate fi auzit în fundal.
- Consumul general de curent este în jur de 66mA @ 12V datorită stadiului buffer Q8 din schema receptorului.
- În viitor, stadiul audio ar trebui să aibă un amplificator diferențial pentru a primi feedback negativ.
- În viitor, mixerul ar trebui construit în jurul unei perechi de tranzistori diferențiali pentru a reduce consumul de curent, reducând puterea RF/LO necesară mixerului cu diode.
- Este necesar încă un stadiu de câștig RF de cel puțin 20dB în viitor.
- Etape AGC pentru viitor.
- Conectorul BNC ar putea fi montat pe panoul frontal.
Va urma